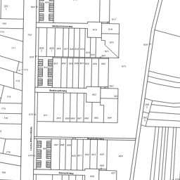
Gesamtanlage Oberstraße
Lade Kartenmaterial...
Darmstadt, Stadt
Darmstadt
Eberstadt
  • Gesamtanlage Oberstraße
Gesamtanlage

Eberstädter Kirchstraße 1-8, 10

Heidelberger Landstraße 218- 228

Oberstraße 1,5, 11-13, 17- 21, 25- 27, 31-43; 6, 10-12, 16, 20- 22, 32-34;

Die Oberstraße bildet zusammen mit der Heidelberger Landstraße den Kernbereich des historischen Ortes. Gehöfte mit qualitätvollen Fachwerkgebäuden des 16. bis 18. Jh. sind im wesentlichen erhalten und prägen mit Gewerbebetrieben des 18. und frühen 19. Jh., wie Brennerei, Gerberei und Schmiede bau- und stadtgeschichtlich die Mitte des Stadtteils.

In der Oberstraße 11-13 eine den Bestand respektierende, behutsame und qualitätvolle Erweiterung der 1980er Jahre (Eisele + Fritz).


Als Gesamtanlage nach § 2 Absatz 3 Hessisches Denkmalschutzgesetz aus geschichtlichen und künstlerischen Gründen in das Denkmalverzeichnis des Landes Hessen eingetragen.

Legende:

Kulturdenkmal nach § 2 Abs. 1 HDSchG
Kulturdenkmal (Gesamtanlage) nach § 2 Abs. 3 HDSchG
Kulturdenkmal (Grünfläche) nach §2 Abs. 1 oder § 2 Abs. 3 HDSchG
Kulturdenkmal (Wasserfläche) nach §2 Abs. 1 oder § 2 Abs. 3 HDSchG
Weitere Symbole für Kulturdenkmäler nach § 2 Abs. 1 HDSchG:
Wege-, Flur- und Friedhofskreuz, Grabstein
Jüdischer Friedhof
Kleindenkmal, Bildstock
Grenzstein
Keller bzw. unterirdisches Objekt
Baum
Planelemente auswählen
Zeigen Sie mit der Hand auf Markierungen im Plan, erhalten Sie ein Vorschaubild und per Mausklick die Objektbeschreibung.
Kartenansicht
Wählen Sie zwischen zwischen Alkis- und Luftbildansicht. Ebenfalls können Sie die Kartenbeschriftung ein- und ausblenden.
Zoomen
Zoomen Sie stufenweise mit einem Mausklick auf die Lupen oder bewegen Sie den Mauszeiger auf den Planausschnitt und verwenden Sie das Scrollrad ihrer Maus.
Zoom per Mausrad
Über diesen Button können Sie einstellen, ob Sie das Zoomen in der Karte per Scrollrad Ihrer Maus erlauben möchten oder nicht.
Vollbildmodus
Betätigen Sie diesen Button um die Karte im Vollbildmodus zu betrachten. Über den selben Button oder durch Klicken der "Esc"-Taste können Sie den Vollbildmodus wieder verlassen.
Ausgangsobjekt anzeigen
Über diesen Button erreichen Sie, dass in der Karte das Ausgangsobjekt angezeigt wird. Bei dem Ausgangsobjekt handelt es sich um die Objekte, die zu dem entsprechende Straßeneintrag gehören.
Abstand messen
Mit Hilfe dieses Tools können Sie die Distanz zwischen zwei oder mehreren Punkten berechnen. Hierbei wird eine Linie gezeichnet, bei der die entsprechende Gesamtlänge angezeigt wird. Weitere Anweisungen zur Benutzung werden nach betätigen des Buttons angezeigt.
Fläche berechnen
Dieses Tool ermöglicht es Ihnen eine Fläche zu zeichnen und den Flächeninhalt in m² zu berechnen. Um eine Fläche zu erzeugen, müssen mindestens 3 Punkte gesetzt werden. Die Fläche wird durch den Klick auf den Ausgangspunkt (1. Punkt) geschlossen und der Flächeninhalt anschließend berechnet.